外観完成予想CG
(出典:ブリリアタワー浅草橋 公式HP)

待ちに待った隅田川沿いに建つタワーレジデンス!先日、マンションギャラリーを訪問しました。

物件概要

ブリリアタワー浅草柳橋
東京都台東区柳橋2
都営浅草線「浅草橋」駅徒歩5分
JR総武線「浅草橋」駅徒歩6分
用途地域:商業地域
敷地面積:2,366.65㎡
建築面積:1,108.56㎡
延床面積:27,274.43㎡
総戸数:34階建て267戸(販売戸数149戸、地権者住戸118戸)
専有面積:33.15㎡~104.30㎡
駐車場台数:72台
売主:日鉄興和不動産・東京建物
設計:フジタ・IAO竹田設計
デザイン監修:UDS(内装)
施工:フジタ
工事完了年月:2027年4月中旬(予定)
引渡可能年月:2027年8月下旬(予定)

現地案内図
(出典:ブリリアタワー浅草橋 公式HP)

周辺環境・立地・アクセス

浅草橋は、自転車やタクシーで都心部まで移動できる東京イーストでも都心部に隣接したポジション。

マンションから都営浅草線「浅草橋」駅へ徒歩5分ですから、都心の大動脈、日本橋、銀座、新橋までドアツードアですぐ。JR総武線で新宿方面へのアクセスもスムーズで、隣駅の秋葉原ではJR山手線、京浜東北線、東京メトロ日比谷線などに乗り換えが可能です。

浅草橋駅周辺(徒歩5分)

浅草橋・蔵前は、飲食店やカフェが豊富なエリア。マンション周辺はイタリアンから中華まで美味しいお店がたくさんあり、蔵前まで出れば、ぐっと客層が若返るカフェや雑貨屋が集まっていて、お店巡りが楽しい界隈。

秋葉原や浅草、百貨店が並ぶ日本橋など、近場で休日の楽しみ方が無数。話題に事欠かない場所で生活満足度は大きく高まるでしょう。

隅田川テラス沿いの開放的な自然環境も日々のストレスを癒してくれます。

隅田川テラス(徒歩3分)
外観完成予想CG
(出典:ブリリアタワー浅草橋 公式HP)

一方、浅草橋界隈はビジネス街、問屋街で、古くからのビルが多い商業地域ですから、人によっては街の雰囲気に好みが分かれるかもしれません。それと、近隣に大きいスーパーが少ないのが若干不便。まとまった買い物をするときは、「ライフ 神田和泉町店」(徒歩12分)や、散策がてら浅草方面に出向く機会が増えそうです。

周辺は、万が一の際、河川の洪水、高潮時など浸水リスクが少なからずある場所です。他、マンションを検討する際は、最低限周辺環境などを下調べしておきましょう(参考記事)。

周辺の主なスーパー

リコス 柳橋2丁目店(徒歩2分)
マルエツプチ柳橋2丁目店(徒歩5分)
まいばすけっと 浅草橋駅北店(徒歩7分)
肉のハナマサ 浅草橋店(徒歩9分)
ライフ 神田和泉町店(徒歩12分)

通学区
台東育英小学校(徒歩8分)
浅草中学校(徒歩3分)

ランドプラン・共用部

本物件は、1970年に竣工した「東商センタービルマンション」の建て替え事業で計画されたタワーマンション。東京都の総合設計制度を活用し、容積率約500%から約800%へ緩和。高さ約120m、地上34階建ての267戸が実現しました。

タワーにしてはそれほど規模感はありませんが、ランドプランや共用部は見どころがたくさんあります。

マンション現地(敷地西側)
マンション現地(敷地東側)

敷地は隅田川テラスに隣接。現状では、テラスに出るのに少し歩かないと出られませんが、今後、既存の防潮堤に代わって新たにスーパー堤防が設けられ、敷地内の公開空地とテラスがつながる計画(東京都主体の堤防整備事業)。実現すれば本物件住人が気軽にテラスに出て散策やランニングを楽しめる環境が整うので生活の質が更に高まりそう。非常に楽しみなポイントです!

敷地概念イラスト
(出典:ブリリアタワー浅草橋 公式HP)

敷地西側のアプローチからエントランスにかけては、セットバックしたスペースに植栽が植えられるなど、雰囲気のある綺麗な街並みに様変わりします。エントランスは2層吹き抜け。外部から、正面にエスカレーターが見えるのがテンション上がりますね。シアターの動画では、エスカレーターを上がり、そこに広がるラウンジと隅田川ビューに「おぉ!」と心揺さぶられました。実際の高揚感はどれほどでしょう。

エントランス外観完成予想CG
(出典:ブリリアタワー浅草橋 公式HP)
メインエントランス完成予想CG
(出典:ブリリアタワー浅草橋 公式HP)

エスカレーターを上がった2階にはメインラウンジ、ワークラウンジとカンファレンスルーム、他、地域住民も利用可能な施設が設置予定です。2階の隅田川を眺めながらゆったりしたり仕事をしたりできるサードプレイス的なスペース、ゆとりある空間やエスカレーターに遊び心をつかまされます。感性に響くデザイン性は、周辺の住まいの中でも本物件ならではの魅力。

メインラウンジ完成予想CG
(出典:ブリリアタワー浅草橋 公式HP)
ワークラウンジ & カンファレンスルーム完成予想CG
(出典:ブリリアタワー浅草橋 公式HP)

また、わざわざエスカレーターを挟まず1階からEVで直接住戸まで上がることも可能です。1階にはメールや宅配ボックスがあるので、このあたりの造りも良いですね。

タワーは免震構造の内廊下設計で、各階にゴミ置場を設置。タワーならではの価値もしっかり訴求されています。

玄関やEV周りには木目調のデザインが施されて上質な内廊下
(出典:ブリリアタワー浅草橋 公式HP)

EVは低層階用と高層階用がそれぞれ2機ずつで、17階の住人は両方使用可能。他、非常用EV、公開空地アクセス用EV、自転車置き場用EVが2台。

来客用駐車場と待合のコーチエントランスも用意されています。

17階にはスカイビューラウンジ、屋上にはスカイデッキが設けられます。

スカイビューラウンジ完成予想CG
(出典:ブリリアタワー浅草橋 公式HP)
スカイデッキ完成予想CG
(出典:ブリリアタワー浅草橋 公式HP)

ワークラウンジとスカイデッキの個人利用は無料。スカイビューラウンジは貸切専用限定での運用予定ですが、思い立った時にいつでも気軽に入れればとも思いました。高層階のラウンジは、タワーによって維持管理面で運用が分かれますね。いずれにしても、スカイビューラウンジは低層階の住人も眺望が楽しめます!

セキュリティは、①1階の風除室など各所、②1階もしくは2階のEVホール前、③EVの着床制限のトリプル。加えて玄関前で、インターホンはカメラ付きでかなり充実。安心感が高い仕様になっています。

電気室などライフラインに関わる設備は2階で、災害対策にも配慮されています。

専有部の設備・仕様

各設備や仕様面で、日々の暮らしを支えてくれる高スペック。

ガス温水床暖房
浄水器一体型タッチレスシャワー水栓
ガス温水床暖房
ディスポーザー
食器洗い乾燥機
キッチンシーザーストーン天板
カップボード
洗面台シーザーストーン天板
トイレ手洗いカウンター(シーザーストーン天板)
ローシルエットトイレ
玄関電池錠
カラーモニター付インターホン
二重床・二重天井
天井高(3階~32階 2540mm、33,34階 2640mm)
※一部の1LDK住戸では仕様が異なります。

など、以上は主に【スーペリア】プランのスペックで、【プレミアム】プランは、キッチンのパネルがホーローではなくステンレス製、深型の食洗機、廊下や洗面室、トイレの床がタイル貼り、トイレがタンクレスで自動開閉式になるなど、空間全般的にグレードが高いものとなっています。

第1期の販売住戸 間取り 予定価格

主な間取りと予定価格は以下です。

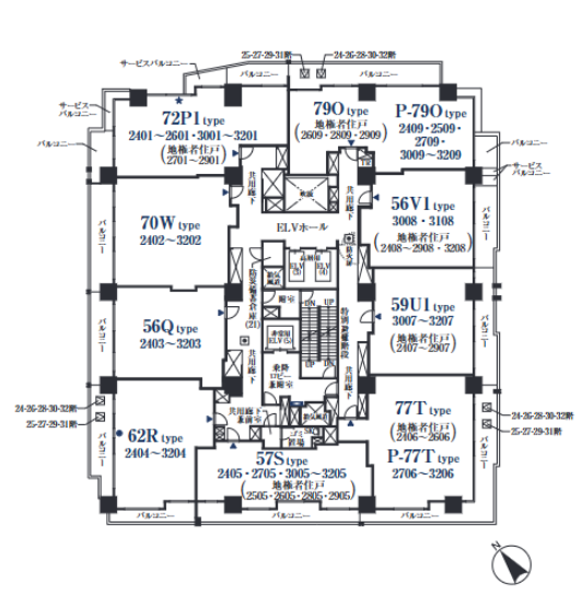
24~32階平面図
(出典:来場者限定サイト)

北東角

79Oタイプ 79.72㎡
13階 25,000 万円台

【スーペリア】

79Oタイプ、79.72㎡
(出典:ブリリアタワー浅草橋 公式HP)


P-79Oタイプ 79.72㎡
30階 29,000 万円台
【プレミアム】

モデルルームと同タイプの間取り。2面バルコニーの超ワイドスパンで全ての居室がバルコニーに面した明るい角住戸。奥行きがあってそれぞれの空間がゆったりしています。主寝室には夫婦ですべての季節ものを収納できそうな巨大WICも。隅田川を向いている南東向きのLDは、低層階から抜け感がある眺望を満喫でき、コーナーサッシなので北東側の東京スカイツリーも視界に入りそう。各居室は北東向き。敷地の北側に9階建て、その先に12階建てビルがあるので、中層階以上で各居室からも東京スカイツリービューを楽しめそうです。

南東角

P-77Tタイプ 77.95㎡
29階 28,000 万円台
【プレミアムタイプ】

P-77Tタイプ 77.95㎡
(出典:ブリリアタワー浅草橋 公式HP)

LDと2部屋が南東向きのバルコニーに面しているので、こちらも低層階から素晴らしい眺望、抜け感を満喫できます。南西向きの洋室は、敷地南側に20階建ての「ザ・パークハウス浅草橋レジデンス」があるので、その上からは抜け感がある都心部の眺望を楽しめるでしょう。※16階より下は「56Kタイプ」。

南西角

62Rタイプ 62.65㎡
27階 18,000 万円台
【スーペリア】

62Rタイプ 62.65㎡
(出典:ブリリアタワー浅草橋 公式HP)

個人的に気に入った間取り!形の良い2LDKです。LDは2面採光の角でデッドスペースを除いて10畳前後を確保。家族が少ない時は、隣の洋室と一体化して形が綺麗な広々とした空間にできます。高層階はLDから両角一面に都心部のパノラマ眺望が広がる一等地です。南西角は「パークハウス」の被りがちょうど外れてくる向きなので、低層階からでも比較的開けていて、全体的には15階前後から抜けてきそうです。浴室1317サイズが惜しい点でした。※16階より下は「62Iタイプ」。

北西

55Hタイプ 55.19㎡
9階 13,000 万円台
【スーペリア】

55Hタイプ 55.19㎡
(出典:ブリリアタワー浅草橋 公式HP)

56Qタイプ 56.43㎡
17階 15,000 万円台
【スーペリア】

56Qタイプ 56.43㎡
(出典:ブリリアタワー浅草橋 公式HP)

北西向きは、道路を挟んで2棟のマンションの前建てが存在します。14階建ての「プラウドフラッツ浅草橋Ⅱ」、8階建ての「日神パレステージ浅草橋」。それぞれ眺望などを確認しながら、価格との兼ね合いを見て選びましょう。

P-72Bタイプ 72.43㎡
34階 25,000 万円台
【プレミアムタイプ】

P-72Bタイプ 72.43㎡
(出典:ブリリアタワー浅草橋 公式HP)

北西角

75P2タイプ 75.49㎡
20階 21,000 万円台

【スーペリア】

75P2タイプ 75.49㎡
(出典:ブリリアタワー浅草橋 公式HP)

こちらも北東角住戸と同じように、LDがコーナーサッシなので、北東側の東京スカイツリーが視界に入りそうなのと、中層階以上で北東向きの各居室から東京スカイツリービューを楽しめます。北西角は、8階建ての「パレステージ」と、敷地北側のビル低層部分のため、10階くらいから抜けてきそうです。

75㎡のゆったりめの面積。台東区で70㎡超の面積帯は非常に希少です。しかも近年の分譲ではますます少なくなっていますから、分譲後も、都心に近いタワー、築浅、70㎡超の広さの価値で人気は維持するでしょう。気になった点はLDの広さです。この列、72P1と75P1タイプの3LDKは、柱の食い込みや廊下部分が含まれる畳数を加味すれば、実質的な生活スペースが10畳を切りそう。この価格帯の部屋で、LDに好きな大型家具が置きづらいのが惜しい点(参考記事)。

住戸の紹介は以上です。

南東向き以外、比較的囲まれ感はある場所ですが、低層階でも、角住戸が多いためしっかり採光が取れる住戸が多く、北西側の低層階を駐車場に充てたり、南西向きの低層階、中住戸に充てられている1LDKを解放感を持たせるワイドスパン設計にしたり、すこしでも明るく暮らしやすい住戸が増えるよう工夫された設計に好感が持てました。

北東向きの東京スカイツリービューや南東向きの抜け感も良いですが、南西向き、東京都心部の高層ビル群ビューは、特に夜も視界を楽しませてくれる大きな価値だと思っています。この位置で、周辺に高層ビルの被りが少なく都心部の眺望をパノラマで拝めるタワマンは希少です。北西向きも抜けた先に新宿や池袋の副都心の街並みが広がって良い眺め。

北東向き:敷地内高さ約110m(34階相当)からの写真
南西向き:敷地内高さ約110m(34階相当)からの写真
北西向き:敷地内高さ約110m(34階相当)からの写真
(出典:ブリリアタワー浅草橋 公式HP)

南東向きであれば、水面が視界に入ってくる低層階も良いですね。ちなみに、地権者住戸は南東向きに偏っています。

敷地南東側、対岸よりマンション現地を臨む

(眺望などは私の感想、見立てです。詳しくはギャラリーでよく確認してくださいまた、住環境は将来約束されたものではありません。)

予定価格は1,000万円単位。末尾+999万円までを上限。

以上、上記の販売予定価格の末尾を500万円にしたおよその平均坪単価は、スーペリアが900万円前後、プレミアムプランが1200万円前後でした。

月々のランニングコストは以下。

P-72Bタイプ 72.43㎡
管理費、30,640円
修繕積立金、16,080円
インターネット利用料、1,650円
初年度、48,680円

今、マンション界隈では、管理面、修繕面の運営や、コスト高騰が大きな課題となっています。特に修繕積立金は、本物件も「段階増額積立方式」です。将来、金額が大きく上がっていくことを覚悟しておきましょう。

管理面や修繕面でコストがかかるタワーですから、将来維持管理が健全に運営されるよう、住人になったら当事者意識をもって携わっていきたいですね。

最後に・まとめ

城東エリアの新築では未知数の価格。会社員の一次取得者層には難しい価格帯です。ギャラリーの営業さんも「含み益を持った住み替え組の検討が多い」とおっしゃっていました。私の方でもご相談を5件ほどいただいていますが、1LDK~3LDKまで含み益を抱える分譲マンションにお住まいの方がほとんど。予想外のコスト高騰を受けて再開発やタワーマンション計画の延期や中止が増えている中、皆さん「このポジションの新築のタワマンが、いつ買えなくなるかわからない。今、もし手が届くなら手に入れておきたい」と考えています。つまり人気です。3月下旬にギャラリー訪問した際も「多くのお客様が予約できなくて、増席なども検討しています」と反響が相当高いようでした。

今まで右肩上がりだったマンション相場。現在、周辺だと江東区や中央区の湾岸エリアなど一部で停滞感が見られますが、売出しが非常に多いため需給バランスも影響していると考えています。一方、都心から近く利便性が高い台東区や墨田区は、湾岸のように広く開発された土地が少なくタワマンやファミリータイプの物件が希少なので、錦糸町駅徒歩6分の2005年築「ブリリアタワー東京」が坪単価700~800万円、湯島駅徒歩4分、2017年築の「ブリリアタワー上野池之端」が坪単価1000万円を超える成約も出ています。また、蔵前や新御徒町周辺では、板状タイプのマンションの2LDKも人気が高まっていて、650~700万円前後(グロス11,000~12,000万円)程度まで相場が上がってきました。

本物件、浅草橋のタワーが、分譲後も相場を維持できるかはわかりませんが、都心部の最前列に近い希少なタワーは少し高くても一部の需要が取れそうですから、中長期で見れば堅調に推移しそうと考えています。

いずれにしても、述べてきたように生活満足度はかなり高いレベルのタワーマンションですから、長く住み続けるつもりで検討されることをお勧めします。

今後の販売スケジュールは、第1期の正式価格が5月下旬に発表、6/7(日)が登録締め切り、6/8(月)が抽選。販売状況にも注目していきたいと思います!

購入のご相談はこちらまで

すまいよみ 住まいの無料相談

Xでフォローしよう